Ricerca Prodotti

Tutto il catalogo Pompa idraulica manuale Pompa a mano PAM-SV 40 2 articoli

 

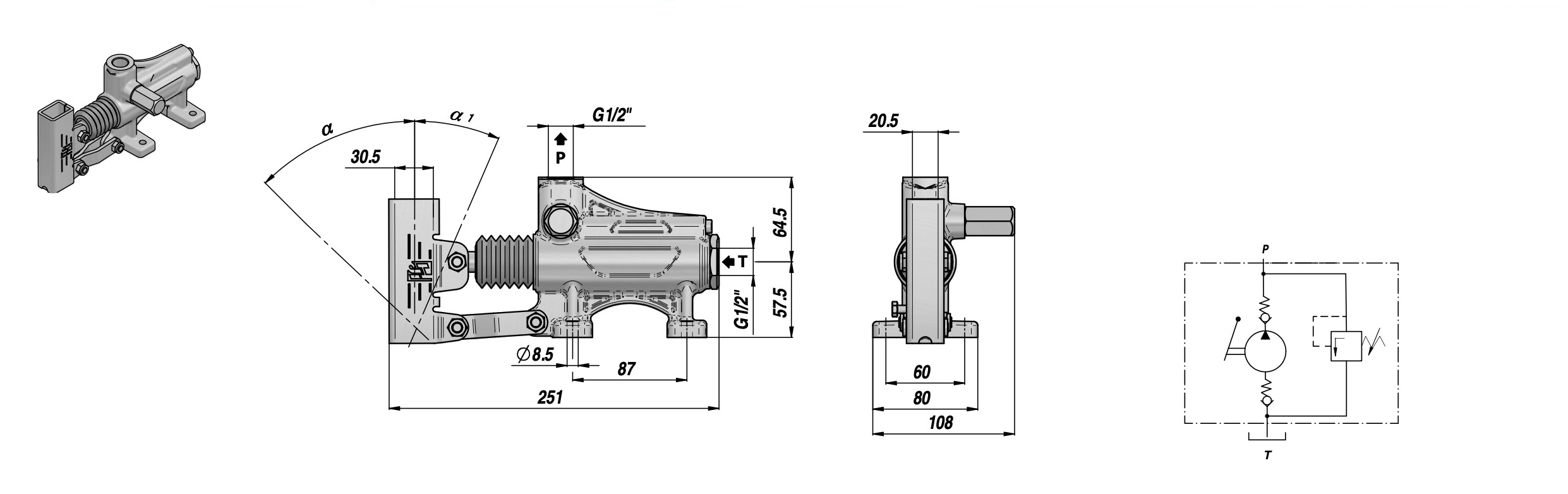
Disegni

La pompa a mano PAM-SV 40
Ha la valvola di massima pressione (V.M.P.)
Non è predisposta per serbatoio
Ha un funzionamento a doppio effetto per cilindri a singolo effetto.
cm3/ciclo = 42
Le parti che lo compongono sono un corpo pompa, un kit VMP, il kit di aspirazione, la biella, un supporto leva, stelo + pistone, un soffietto, e un kit di guarnizioni.
 
CARATTERISTICHE GENERALI
-Elevate prestazioni e affidabilità.
-possono essere installate sia in posizione verticale sia verticali.
-Sono intercambiabili con noti costruttori di pompe.
-Svariati campi di impiego.
 
APPLICAZIONI
Trasporti
            - Azionamento di piccole gru oleodinamiche a bordo di autocarri leggeri
- Azionamenti di emergenza per medie e grosse autogrù
-Strumento di emergenza su qualsiasi impianto oleodinamico in caso di guasto dell’unità principale
- Azionamento del canale di scarico su autobetoniere
- Ribaltamento della cabina degli autocarri
- Sollevamento di ruote di scorta su autocarri
- Carrelli elevatori per magazzino
- Coperchi per container
- Piattaforme aeree
 
Industria
-Presse
- Regolazione dell’altezza dei piani di lavoro
- Estrattori oleodinamici
- Apertura e chiusura di autoclavi
- Apertura e chiusura di porte pesanti
- Applicazioni dove non è possibile usare corrente elettrica
 
Agricoltura
- Sollevamento del cassone dei rimorchi ribaltabili
- Comando a distanza
- Sollevamento a bordo di carrelli elevatori

Pompa a mano PAM-SV 40 sono intercambiabili con:
  • Pompa a mano PAM-SV 40
Accessori Correlati


LEVA+MANOPOLA x PAM 20x30x600(rett.)
Ordina per:
Disp.:
Marca:
In offerta:
Descrizione Marca Dimensioni(mm) Materiale Disp. (UN)
PAM-SV 40 POMPA MANO+SOFF+VMP S/Leva
05.PAM00.0144005
Completalo con (NON INCLUSO):
    42,00 - 0,00 - 0,00 5
KIT GUARNIZIONI PAM-SV/ES 40
05.PAMKI.GTV040
    0,00 - 0,00 - 0,00 -

 
Ordina per:
Disp.:
Marca:
In offerta: